Projects

Metal Hardness Tester

The device has enriched GUI for displaying and storing results as well as controls for user interactions.

  • Leeb Metal Hardness Tester
  • The low power Cortex‐M3 (LPC1788)
  • Operates on 4.2V Li‐on battery
  • 4.3” TFT LCD display.
  • 4‐wire resistive touch screen interface.
  • Buzzer

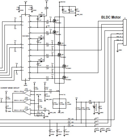
Centrifuge System (BLDC drive)

  • 115VAC input, 250 Watt 4-pole 3-phase BLDC Motor
  • Closed loop Speed and torque control loop
  • 16-bit/32-bit, 16MHz/72MHz Microcontroller (STM8 & STM32)
  • Smooth acceleration from 0 to 16000 RPM

VOIP System

  • ARM9 microcontroller: Cirrus EP9301
  • Linux operating system running from external NOR flash
  • HPI interface for communicating DSP (16-bit)
  • PoE, DC-DC switching regulators
  • Managed Ethernet switch for camera and VoIP
  • DSP algorithms: Echo cancellation, tone detections etc

Other Projects

Golf Advisor (ARM926)
Universal Motor Controller (STM8)
Menu